リニアモータ駆動回路 |
|
---|---|
概要 |
前回試作したリニアモータポンプを駆動するために、2相の駆動信号を発生する装置を制作しました。 装置は、電源装置、D/A変換器、電力増幅器、パソコン、制御ソフト、で構成されており、パソコンとD/A変換器はパラレルポートで接続されています。 本装置でポンプを駆動した結果、満足の行く性能を得ることができました。 |
装置全景 |
![]() |
左上の四角く黒っぽい機器が±15V8Aの電源装置です。右下の基盤が、D/A変換器で、その上に固定されているのが、電力増幅器です。 |
---|
D/A変換器、電力増幅器 |
![]() |
基盤の下部はデジタル部、中央部がD/A変換部、上部がアナログ部です。基盤の右側には、放熱板のある電力増幅器が見えます。 熱設計をしていないので、駆動信号によっては、放熱板が過熱します。大きなものと交換するか、強制空冷の必要があります。 基盤下部に接続されたリボンケーブルは、PCのパラレルポートとのインターフェイスです。 D/A変換器は、R−2Rの梯子型抵抗網を使用した古風な設計です。 |
---|
基盤の裏 |
![]() |
デジタル部は主に基盤の裏にテフロン線で配線しています。 ストローブの立下りでアドレスを、立ち上りでデータをラッチする方法で、最大256バイト個までのポートを使用できます。今回はこの中から、2バイトを使用しています。 |
---|
駆動ソフト |
---|
![]() |
パラレルポートを制御して、2相の駆動信号を出力するソフトです。 ピストンの位置と信号振幅を各時間について指定すると、各点を直線補完して信号を生成します。 グラフの上の各線は、 水色:ピストンの位置 紫 :印加電圧 赤 :A相信号 緑 :B相信号 を表します。 |
駆動実験1 |
![]() |
ポンプにパイプをつけて水中に沈めて、本装置で駆動すると、勢い良く水を吐出します。揚水高も60cmあり、満足の行く性能です。 |
---|
駆動実験2 |
![]() |
圧力が結構あるので、パイプの先をつまむと、水鉄砲状に水がピュウと飛びます。 |
---|
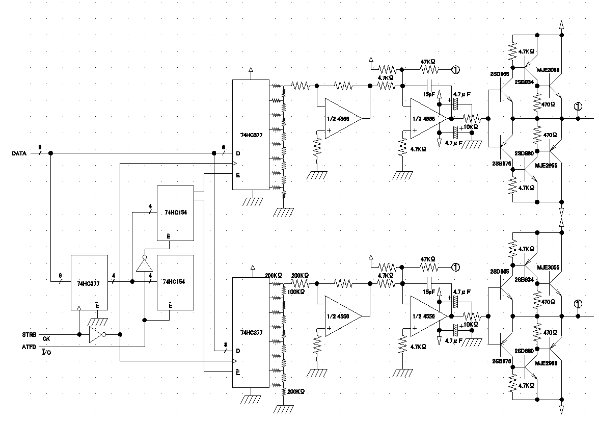
回路図 |
---|
![]() |
あまり正確ではありません。「なんか、こんな感じ」という程度の回路図です。 ストローブの立下りでI/Oアドレスをラッチし、立ち上がりでラッチしたアドレスに対応したデータラッチをラッチさせます。 アドレスデコーダーが2系統あるのは、入力も行う予定があるためです。 回路図にはありませんが、PCとのインターフェイス信号線の全てには、保護用として、+5との間にダイオードを挿入しています。 |